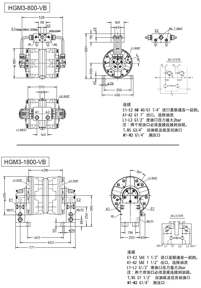
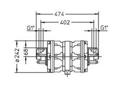
HGM3-100,HGM3-175,HGM3-350,HGM3-500,HGM3-800,HGM3-1800,HGM3-3000,柱塞同步分流馬達(dá)








HGM3-100-2-F,HGM3-175-2-F,HGM3-350-2-F,HGM3-500-2-F,
HGM3-800-2-F,HGM3-1800-2-F,HGM3-3000-2-F,
HGM3-100-2-VB,HGM3-175-2-VB,HGM3-350-2-VB,HGM3-500-2-VB,
HGM3-800-2-VB,HGM3-1800-2-VB,HGM3-3000-2-VB,