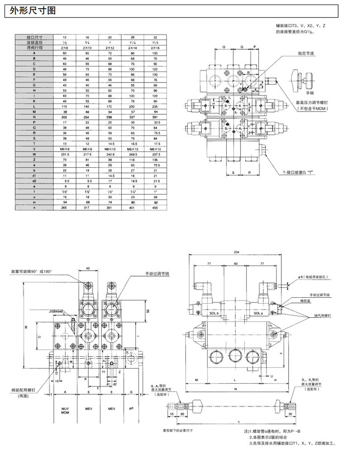
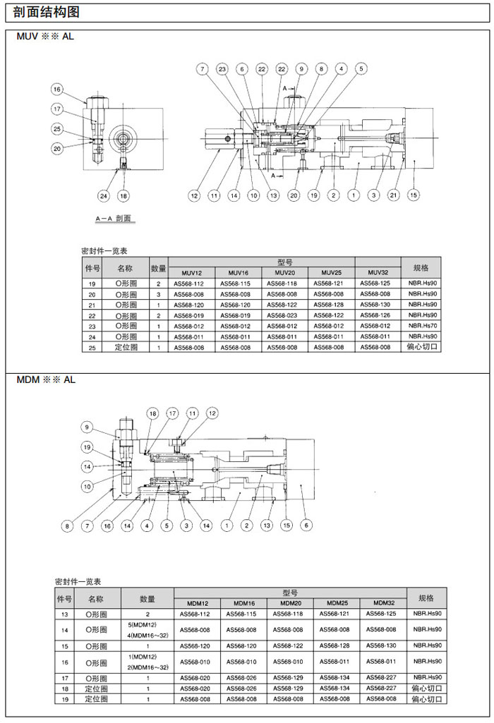
MUV12AL,MUV16AL,MUV20AL,MUV25AL,MUV32AL,MUV12AL3S,MUV20AL6S,DAIKIN電磁比例換向閥









MUV12AL3H,MUV12AL6S,MUV12AL6H,MUV16AL3S,MUV16AL3H,MUV16AL6S,MUV16AL6H,MUV20AL3S,MUV20AL3H,
MUV20AL6H,MUV25AL3S,MUV25AL3H,MUV25AL6S,MUV25AL6H,MUV32AL3S,MUV32AL3H,MUV32AL6S,MUV32AL6H,MDM12AL3,
MDM12AL3N,MDM12AL6,MDM12AL6N,MDM16AL3,MDM16AL3N,MDM16AL6,MDM16AL6N,MDM20AL3,MDM20AL3N,MDM20AL6,
MDM20AL6N,MDM25AL3,MDM25AL3N,MDM25AL6,MDM25AL6N,MDM32AL3,MDM32AL3N,MDM32AL6,MDM32AL6N,