|
公司基本資料信息
|
|||||||||||||||
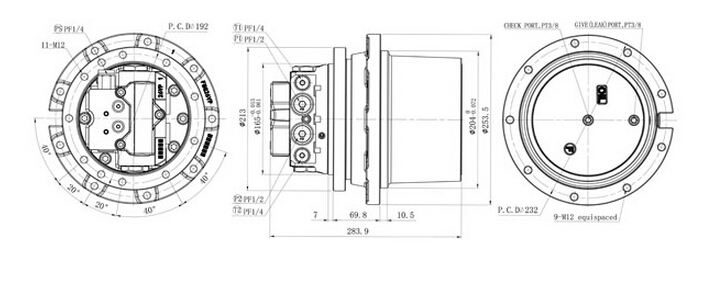
FMG26VP,行走馬達
產品參數
| 型號 | 排量 (cc/rev) |
工作壓力 (Mpa) |
制動扭矩 (Kgf•m) |
應用 (ton) |
|---|---|---|---|---|
| FMG26VP | 27/17 | 21 | 4 | 2.5-4.5 |
| 傳動比 (i) |
理論輸出扭矩 (Kgf•m) |
輸出轉速 (rpm) |
重量 (Kg) |
|
| 41.923 | 313/192 | 43.2/70.5 | 41 |
