|
公司基本資料信息
|
|||||||||||||||
一、特點:
QGD系列薄型氣缸為單作用和雙作用兩種。單作用氣缸采用彈簧復位結構,該系列氣缸軸向尺寸小,結構簡單,內部采用國際先進的結構,使該系列產品更加完美,主要適用于短行程夾具的夾緊工作。
二、型號說明:

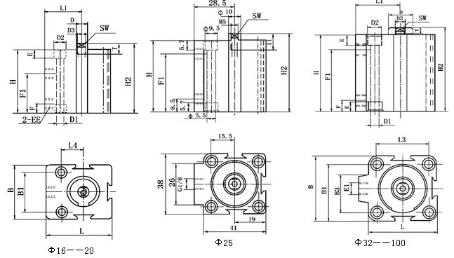
三 、技術參數:
|
氣缸內徑 (Ф) |
16 | 20 | 25 | 32 | 40 | 50 | 16 | 20 | 25 | 32 | 40 | 50 | 63 | 80 | 100 |
| 氣缸種類 | 單作用(彈簧復位) | 雙作用 | |||||||||||||
| 最大行程(mm) | 10 | 20 | 40 | 50 | 80 | ||||||||||
| 使用介質 | 潔凈壓縮空氣 | ||||||||||||||
| 耐壓力〔MPa) | 1.5 | ||||||||||||||
| 最高使用壓力(MPa) | 0.99 | ||||||||||||||
| 環(huán)境介質溫度(℃) | -10--+70 | ||||||||||||||
| 桿端螺紋 | 內螺紋 | ||||||||||||||
| 緩沖 | 不可緩沖 | ||||||||||||||
| 給油 | 不需要(給油亦可) | ||||||||||||||
| 行程公差(mm) |
+1.0 0 |
||||||||||||||
| 接管螺絲 | M5 | M5 | M1/8 | M1/8 | M1/8 | M1/8 | M5 | M5 | M1/8 | M1/8 | M1/8 | M1/8 | M1/8 | M1/4 | M1/4 |
|
缸徑 (Ф) |
B | B1 | B3 | D(Ф) | D1(Ф) | D2(Ф) | D3 | E1 | E | F | L | L1 | L3 | L4 | SW | T |
| 16 | 28 | 18 | - | 6 | 4.5 | 8 | M4 | M5 | 4.6 | 5 | 34 | 20 | - | 12 | 6 | 6 |
| 20 | 32 | 20 | - | 10 | 5.5 | 9.5 | M5 | M5 | 5.7 | 6 | 40 | 24 | - | 15 | 8 | 8 |
| 25 | - | - | - | - | - | - | - | - | - | - | - | - | - | - | - | - |
| 32 | 45 | 32 | 26 | 16 | 5.5 | 9.5 | M6 | G1/8 | 5.7 | 8.5 | 48 | 29 | 36 | - | 14 | 12 |
| 40 | 55 | 42 | 28 | 16 | 5.5 | 10 | M6 | G1/8 | 5.7 | 14.5 | 55 | 33.5 | 42 | - | 14 | 12 |
| 50 | 65 | 50 | 28 | 20 | 6.6 | 11 | M8 | G1/8 | 6.8 | 15 | 65 | 38.5 | 50 | - | 18 | 12 |
| 63 | 80 | 62 | 28 | 20 | 9 | 15 | M8 | G1/8 | 9 | 16.5 | 80 | 45.5 | 62 | - | 18 | 14 |
| 80 | 100 | 82 | 30 | 25 | 9 | 15 | M10 | G1/4 | 10 | 19 | 100 | 58 | 82 | - | 22 | 16 |
| 100 | 124 | 103 | 30 | 25 | 11 | 17.5 | M12 | G1/4 | 16.5 | 21.5 | 124 | 68 | 103 | - | 22 | 20 |