|
公司基本資料信息
|
|||||||||||||||
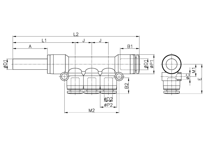
PKJ0604,PKJ0804,PKJ0806,PKJ1006,PKJ1008,快插式管接頭
| Model | ¢D1 | ¢P2 | ¢D1 | ¢P2 | L1 | L2 | E | ¢C | A | B1 | B2 | J | M1 | M2 | ORIFICE | WEIGHT(g) | BOX(EA) |
| PKJ0604 | 6 | 4 | 12.5 | 10.5 | 44.1 | 86.1 | 19.5 | 3.3 | 25 | 16.4 | 14.8 | 10.5 | 7.6 | 34 | 3 | 17 | 25 |
| PKJ0804 | 8 | 4 | 14.5 | 10.5 | 45.9 | 89.1 | 20.7 | 4.3 | 26 | 18.3 | 14.8 | 10.5 | 9.2 | 34.8 | 3 | 17 | 25 |
| PKJ0806 | 8 | 6 | 14.5 | 12.5 | 46.9 | 95.1 | 22.2 | 4.3 | 26 | 18.3 | 16.4 | 12.5 | 9.3 | 41.1 | 5 | 19 | 25 |
| PKJ1006 | 10 | 6 | 17.5 | 12.5 | 52.2 | 103.9 | 22.8 | 4.3 | 28 | 20.2 | 16.4 | 12.5 | 9.5 | 41.7 | 5 | 30 | 20 |
| PKJ1008 | 10 | 8 | 17.5 | 14.5 | 52.8 | 109.2 | 25.7 | 4.3 | 28 | 20.2 | 18.3 | 14.5 | 9.5 | 47 | 6.8 | 33 | 20 |
