|
公司基本資料信息
|
|||||||||||||||
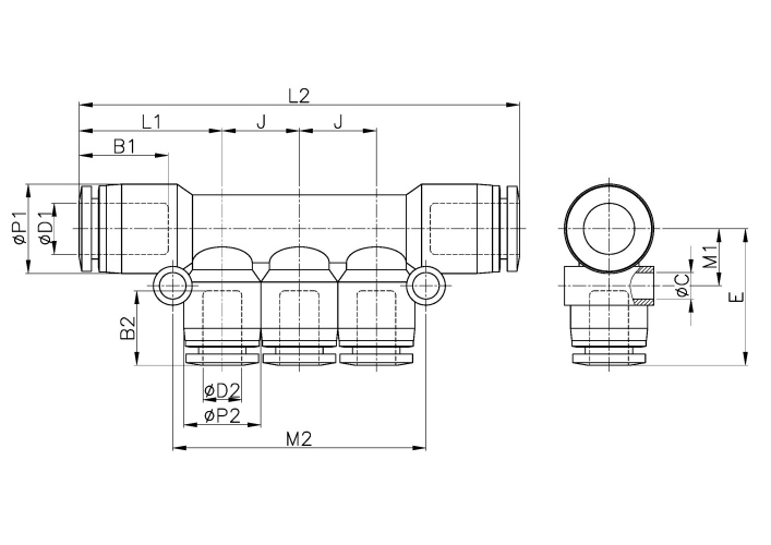
PKG0604,PKG0804,PKG0806,PKG1006,PKG1008,快插式管接頭
| Model | ¢D1 | ¢P2 | ¢D1 | ¢P2 | L1 | L2 | E | ¢C | B1 | B2 | J | M1 | M2 | ORIFICE | WEIGHT(g) | BOX(EA) |
| PKG0604 | 6 | 4 | 12.5 | 10.5 | 21.1 | 63.1 | 19.5 | 3.3 | 16.4 | 14.8 | 10.5 | 7.6 | 34 | 3 | 14 | 25 |
| PKG0804 | 8 | 4 | 14.5 | 10.5 | 22.3 | 65.5 | 20.7 | 4.3 | 18.3 | 14.8 | 10.5 | 9.2 | 34.8 | 3 | 16 | 25 |
| PKG0806 | 8 | 6 | 14.5 | 12.5 | 23.3 | 71.5 | 22.2 | 4.3 | 18.3 | 16.4 | 12.5 | 9.3 | 41.1 | 5 | 19 | 25 |
| PKG1006 | 10 | 6 | 17.5 | 12.5 | 26.7 | 78.4 | 22.8 | 4.3 | 20.2 | 16.4 | 12.5 | 9.5 | 41.7 | 5 | 25 | 25 |
| PKG1008 | 10 | 8 | 17.5 | 14.5 | 27.4 | 83.7 | 25.7 | 4.3 | 20.2 | 18.3 | 14.5 | 9.5 | 47 | 6.8 | 29 | 25 |
