|
公司基本資料信息
|
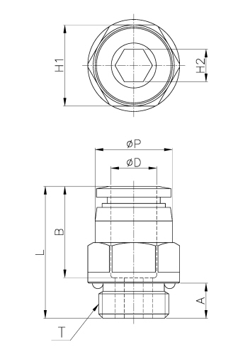
|||||||||||||||
PC10-G04,PC12-G03,PC12-G04,PC14-G04,PC16-G04,
| Model | ∅D | ∅P | T | L | A | B | H1(Hex) | H2(Hex) | ORIFICE | WEIGHT(g) | EA(BOX) |
| PC04-G01 | 4 | 10.3 | G 1/8 | 20 | 5 | 14.8 | 13 | 3 | 3 | 11 | 100 |
| PC04-G02 | 4 | 10.3 | G 1/4 | 21.5 | 6.5 | 14.8 | 15 | 3 | 3 | 19 | 100 |
| PC04-G03 | 4 | 10.3 | G 3/8 | 21.5 | 6.5 | 14.8 | 17 | 3 | 3 | 28 | 100 |
| PC06-G01 | 6 | 12.3 | G 1/8 | 21.2 | 5 | 16.4 | 13 | 4 | 4 | 10 | 100 |
| PC06-G02 | 6 | 12.3 | G 1/4 | 23.2 | 6.5 | 16.4 | 15 | 5 | 5 | 17 | 100 |
| PC06-G03 | 6 | 12.3 | G 3/8 | 22.2 | 6.5 | 16.4 | 17 | 5 | 5 | 23 | 100 |
| PC08-G01 | 8 | 14.3 | G 1/8 | 26.9 | 5 | 18.4 | 15 | 5 | 5 | 17 | 100 |
| PC08-G02 | 8 | 14.3 | G 1/4 | 24.4 | 6.5 | 18.4 | 15 | 6 | 6 | 16 | 100 |
| PC08-G03 | 8 | 14.3 | G 3/8 | 23.4 | 6.5 | 18.4 | 17 | 6 | 6 | 24 | 100 |
| PC08-G04 | 8 | 14.3 | G 1/2 | 23.9 | 8 | 18.4 | 21 | 6 | 6 | 38 | 50 |
| PC10-G01 | 10 | 16.5 | G 1/8 | 28.9 | 5 | 19.7 | 17 | 5 | 5 | 22 | 100 |
| PC10-G02 | 10 | 16.5 | G 1/4 | 28.9 | 6.5 | 19.7 | 17 | 6 | 6 | 23 | 100 |
| PC10-G03 | 10 | 16.5 | G 3/8 | 25.4 | 6.5 | 19.7 | 17 | 8 | 8 | 20 | 100 |
| PC10-G04 | 10 | 16.5 | G 1/2 | 25.9 | 8 | 19.7 | 21 | 8 | 8 | 39 | 50 |
| PC12-G02 | 12 | 19 | G 1/4 | 31.7 | 6.5 | 21.9 | 19 | 6 | 6 | 29 | 50 |
| PC12-G03 | 12 | 19 | G 3/8 | 27.2 | 6.5 | 21.9 | 19 | 8 | 8 | 23 | 50 |
| PC12-G04 | 12 | 19 | G 1/2 | 28.2 | 8 | 21.9 | 21 | 8 | 8 | 36 | 50 |
| PC14-G03 | 14 | 21.8 | G 3/8 | 33.5 | 6.5 | 23.8 | 22 | 10 | 10 | 48 | 25 |
| PC14-G04 | 14 | 21.8 | G 1/2 | 32.8 | 8 | 23.8 | 24 | 10 | 10 | 57 | 25 |
| PC16-G03 | 16 | 24 | G 3/8 | 36.5 | 8 | 24 | 24 | 10 | 10 | 55 | 25 |
| PC16-G04 | 16 | 24 | G 1/2 | 36.5 | 9 | 24 | 24 | 10 | 10 | 62 | 25 |
外形尺寸
