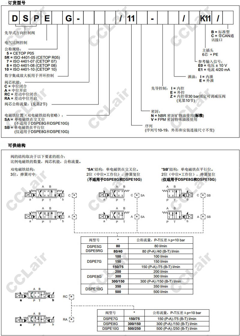
DSPE5G-C80/11N-II/D12K1,DSPE10G-RC500/250/11N-II/D12K1,DSPE8G-C200/11V-II/D12K1,DSPE7G-RC150/75/11N-II/D12K1,先導(dǎo)式比例方向閥


















DSPE5G-C80/40/11N-II/D12K1,DSPE5G-A80/11N-II/D12K1,DSPE5G-A80/40/11N-II/D12K1,DSPE7G-A150SB,DSPE7G-A100,
DSPE5G-C80SA/11N-II/D12K1,DSPE5G-C80/40SA/11N-II/D12K1,DSPE5G-A80SA/11N-II/D12K1,DSPE5G-A80/40SA/11N-II/D12K1,
DSPE5G-C80SB/11N-II/D12K1,DSPE5G-C80/40SB/11N-II/D12K1,DSPE5G-A80SB/11N-II/D12K1,DSPE5G-A80/40SB/11N-II/D12K1,
DSPE5RG-C80/40/11N-II/D12K1,DSPE5RG-A80/11N-II/D12K1,DSPE5RG-A80/40/11N-II/D12K1,DSPE5RG-C80/11N-II/D12K1,
DSPE5RG-C80SA/11N-II/D12K1,DSPE5RG-C80/40SA/11N-II/D12K1,DSPE5RG-A80SA/11N-II/D12K1,DSPE5RG-A80/40SA/11N-II/D12K1,
DSPE5RG-C80SB/11N-II/D12K1,DSPE5RG-C80/40SB/11N-II/D12K1,DSPE5RG-A80SB/11N-II/D12K1,DSPE5RG-A80/40SB/11N-II/D12K1,
DSPE7G-C100/11N-II/D12K1,duplomatic(迪普馬液壓),DSPE7G-C150/75/11N-II/D12K1,DSPE7G-A100/11N-II/D12K1,DSPE7G-A150/75/11N-II/D12K1,
客服熱線:



