產品說明:
LZB-FA100玻璃轉子流量計 該系列流量計具有高靈敏度、測量范圍寬、壓力損失小、使用維護方便等特點。 一般用來測量低壓、高溫、不含顆粒懸浮物的透明液體和氣體,廣泛應用于石油、化工、鋼鐵、電子、環(huán)保、電力、醫(yī)藥等工業(yè)領域。
LZB-FA100玻璃轉子流量計主要技術參數
|
通徑
|
測量范圍
|
工作壓力(Mpa)
|
|
|
水(L/h)
|
空氣(NL/min)
|
||
|
15
|
30-300
60-600
80-800
|
10-100
20-200
25-250
|
≤0.8
|
|
20
|
90-900
120-1200
180-1800
|
20-200
30-300
50-500
|
|
|
25
|
180-1800
300-3000
480-4800
|
50-500
100-1000
150-1500
|
|
|
32
|
480-4800
600-6000
720-7200
|
200-2000
250-2500
300-3000
|
|
|
40
|
1-10m3/h
1.2-12m3/h
1.5-15m3/h
|
18-180Nm3/h
20-200 Nm3/h
25-250 Nm3/h
|
≤0.6
|
|
50
|
1.2-12m3/h
1.5-15m3/h
1.8-18m3/h
|
20-200 Nm3/h
25-250 Nm3/h
30-300 Nm3/h
|
|
|
65
|
1.8-18m3/h
3-30m3/h
4-40m3/h
|
25-250 Nm3/h
35-350 Nm3/h
40-400 Nm3/h
|
|
|
80
|
4-40m3/h
5-50m3/h
6-60m3/h
|
40-400 Nm3/h
50-500 Nm3/h
60-600 Nm3/h
|
≤0.4
|
|
100
|
6-60m3/h
7-70m3/h
10-100m3/h
|
60-600 Nm3/h
70-700 Nm3/h
90-900 Nm3/h
|
|
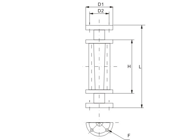
LZB-FA100玻璃轉子流量計外形安裝尺寸(mm)
| 型號 | FA100-15 | FA100-20 | FA100-25 | FA100-32 | FA100-40 | FA100-50 | FA100-65 | FA100-80 | FA100-100 |
| L | 260 | 340 | 340 | 340 | 340 | 340 | 390 | 390 | 410 |
| H | 150 | 200 | 200 | 200 | 200 | 200 | 250 | 250 | 250 |
| D1 | 95 | 105 | 115 | 135 | 145 | 160 | 180 | 185 | 205 |
| D2 | 65 | 75 | 85 | 100 | 110 | 125 | 145 | 150 | 170 |
| F | 4-¢14 | 4-¢14 | 4-¢14 | 4-¢14 | 4-¢14 | 4-¢14 | 4-¢14 | 4-¢18 | 4-¢18 |
客服熱線:

